信条|观看《信条》前后,都离不开这篇文章
由于疫情影响 , 几个月以来迎来的第一部外国新片竟然是诺兰的大片 , 其实挺幸福 。
先抛结论:《信条》是诺兰电影中在观看过程中最难理解的 。
多数观众在不做功课直接去看的前提下 , 都会有些反应不过来 。
故事本身不复杂 , 特工拯救世界 , 但这里面牵扯了很多时空概念 , 以及视觉上的逆思维 , 造成了观影的门槛 。
它和我们以前看到的时空穿梭、无限循环类电影都不一样 。
我在看完之后也只是明白大概 , 很多细节都是上网花了很多时间才慢慢清晰 , 并且修补了一些自己理解的不合逻辑的概念上的设定 。
为了让大家都能更好理解电影 , 看完一脸懵 , 在此给大家做好梳理工作 。
分为三个部分:
一、几个概念(无关剧情 , 观影前了解)
二、几个设定(无剧透 , 观影前了解)
三、电影故事线及特定场景分析(有剧透)
一、几个概念
1、熵:大学学过这个 , 我只记得是用来表示物质混乱的程度 。 在我们目前所理解的世界中 , 系统总是越来越无序 , 熵总是增加的 , 这就是热力学第二定律 , 第一则是能量守恒原理 。
其实具体熵是什么不重要 , 你可以把它理解为一个切换开关 。
2、祖父悖论:关于时间旅行的假定 , 意思就是你如果回到过去 , 杀了你的祖父 , 那就不会有你 , 因此你一定因为各种原因没有回到过去杀害他 。
3、时间钳形计划:空间上的钳形进攻一般就是兵分两路包抄 , 时间上的钳形计划则是一组正向(熵增人与物 , 正常世界)和一组逆向(熵减人与物 , 在正常人看来的倒放世界)同时行动 , 从而确保成功 。
4、曼哈顿计划:简单说就是二战期间美国研发原子弹的计划 , 这个概念与本片关联度不大 , 可以不用太关注 。
二、几个设定
1、影片中不存在平行时空 , 时空跳转 , 而是有一种技术和装置 , 可以改变进入的人与物体的熵的状态 , 熵增的可以变为熵减的 , 熵减的可以变回熵增的 。
而熵增状态就是我们普通感受的世界 , 开枪-子弹出膛-击中目标 , 这样的过程 , 开枪是原因 , 击中目标是结果;熵减的就是逆行状态 , 目标被击中状态-子弹回膛-扣动扳机 , 因果倒置 。
信条|观看《信条》前后 , 都离不开这篇文章//娱乐频道 http://ent.jing111.com/
【本图来自知乎网友STARBOOST , 特此感谢】
灰色时间线是正常时间线 , 红色为普通人感知 , 蓝色为逆向状态的人与物 。 所以对于正向的人来说 , 逆向就像在放倒放 。 而对逆向的人来说 , 他是正常的开枪过程 。
信条|观看《信条》前后 , 都离不开这篇文章//娱乐频道 http://ent.jing111.com/
2、影片中红色光影场景代表正向 , 蓝色代表逆向 , 观影时请注意区分 。
信条|观看《信条》前后 , 都离不开这篇文章//娱乐频道 http://ent.jing111.com/
3、时空无法跳转 , 熵的状态逆转后 , 你想回到两天前 , 得经过逆转状态的两天 , 然后你想改变某事情 , 需要逆转回来 , 从两天前再正向延续发展;
换句话说 , 你想回到多久前 , 就得在逆向状态下进行多久 。
4、除非在特定场景中 , 逆向状态下需要带呼吸器 , 因为没有办法正常呼吸 , 这个逆向状态是指相对于普通人感观 , 你在倒放的状态 , 也就是你在往“以前的时间状态走的过程” , 当你到达目的时间点 , 再次改变熵状态 , 又变回正向 , 那么就无需呼吸机 。
信条|观看《信条》前后 , 都离不开这篇文章//娱乐频道 http://ent.jing111.com/
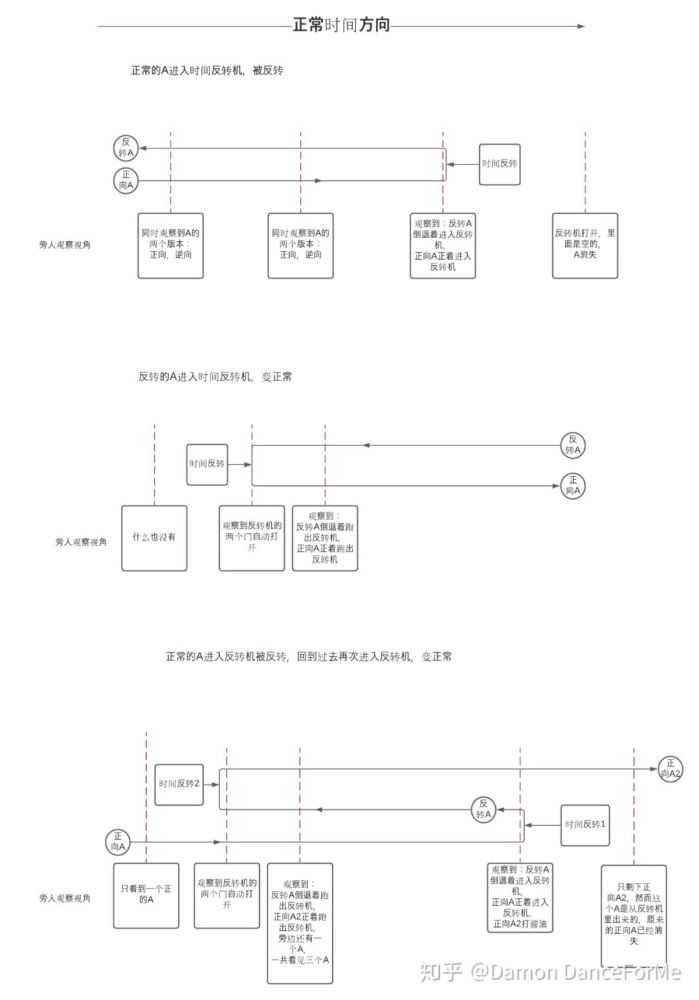
5、可以把存在逆向的那些时间段理解为一个时空 , 由于里面存在正向的人、逆向的人、逆向后再正向的人···所以 , 以旁观角度 , 这个时间段是会同时存在一个人的多个“分身”的 。 这就是为什么男主、男二、反派等等经常在同一场景 , 不止一个身体的原因 。
仔细看下图 , 可以理解很多 。
信条|观看《信条》前后 , 都离不开这篇文章//娱乐频道 http://ent.jing111.com/
【本图来自知乎网友Damon DanceForMe , 特此感谢】
比如最下面这个图 , 去理解女主回到游艇 , 男主回到战场之后发生的事情 , 应该会好理解很多 。
6、在这个时间段被杀死 , 意味着出了这个时间段 , 这个人就永远消失了 。 通过上图应该也能理解 。
7、过去已经发生的无法改变 。 这个和所有无限循环类电影有着基本相同的宿命观 , 就是无论怎么回到过去去努力 , 其实结果都是一样的 。
腹黑一点说 , 其实反派就没有活过他最后一次由正熵变逆熵的那个时间点 , 故事是活过去的男主讲述 , 怎么说都行 。 那段时间是个黑箱 , 可以无限篡改剧情 。
只要活得比对手长 , 中间的故事随便编 。
三、电影故事线
以下有部分剧透 。
黑人男一号 , 尼尔男二号 , 俄罗斯寡头反派 , 反派老婆女主角 , 主要就这四个人物 。
理解了这个人物的时间线 , 就理解了全剧的内容 。
信条|观看《信条》前后 , 都离不开这篇文章//娱乐频道 http://ent.jing111.com/
图片来自网络
信条|观看《信条》前后 , 都离不开这篇文章//娱乐频道 http://ent.jing111.com/
【本图来自知乎网友STARBOOST , 特此感谢】
这两张图非常有助于帮助理解人物的穿梭关系和主干剧情 , 另外 , 如果想要理解 , 某个时间节点 , 存在几个同一个人的不同状态 , 只需要画一掉竖线去切一下 , 看看同一个人的颜色线条有几根 。
接下来尽量解释几个有疑惑的剧情点:
1、反派打伤女主这里 。
信条|观看《信条》前后 , 都离不开这篇文章//娱乐频道 http://ent.jing111.com/
信条|观看《信条》前后,都离不开这篇文章。其实通过上面的解释 , 这里应该可以理解了 。
以正向男主的视角 , 是先有玻璃上的单孔 , 然后出现逆向反派胁迫着正向女主出现 , 扣动扳机 , 子弹逆向回到枪膛并穿过女主肚子 , 造成逆向伤害 。
以女主的角度看也是如此 。
以逆向反派的角度则是 , 他正常开枪 , 子弹穿过女主身体 , 打在了玻璃上 。
女主只有马上逆转自己的状态 , 伤口才会越来越小 , 这就是男主带着女主逆转去救她的原因 。
2、注意男二身上的红绳子 。 男二其实同时出现在了基辅的恐怖袭击现场与苏联的战场上 , 他多次拯救了男主 , 而且最终一个逆向状态死在了苏联战场上的那个坑里 , 为男主挡了子弹 。
信条|观看《信条》前后 , 都离不开这篇文章//娱乐频道 http://ent.jing111.com/
注意看人物时间线那张图 , 对于旁观者来说 , 男二只活到了塔林故事那里 , 就消失了 , 对于男主自己的主故事线时间旅程来说 , 他其实大概多活了三周 , 反复穿梭于之前的时空之中 。
3、男主之后创立了tenet(信条)组织 , 这本身就是一个对称及回文的单词 , 象征着时空的正反两面 。 男主具备了逆向到之前任意时间的能力 , 这也是他回到以前招募男二和后面可以无限保护女主的原因 。
4、有说男二是女主儿子 , 并罗列了很多线索的说法 , 细思极恐 。 但是无法解释按照设定 , 其实男二已经不存在于塔林线之后的时间线 , 当然不排除塔林线之后男二仍然活了很久 , 只是影片没有涉及 , 只是涉及他逆向回到这段时空的故事 。
信条|观看《信条》前后 , 都离不开这篇文章//娱乐频道 http://ent.jing111.com/
最后 , 提出一点疑惑 , 按《信条》设定 , 不存在平行时空 。
比如今天是9月5号 , 我正常过日子 , A却逆向回到一天前想改变某事情 , 那么 , 我这里9月6号 , A那里回到9月4号 , 等他再正向回来 , 他到9月6号时 , 我这里已经9月8号了 , 请问我这个时空的A在哪里?
我个人通过《星际穿越》的理念有一点想法 , 即时空被压缩了 , 在我无法感知的微小时间里 , A完成了这些动作 , 并与我存在同一时空(如果没有在逆向并正向回到起始时间点的这个时间段挂掉) 。 不知道对不对 , 希望大家来讨论 。
最后 , 推荐大家看个短片 , 来自知乎网友机核 , 在此感谢 。
看了这个 , 你大概能理解诺兰对时间的痴迷和创作的灵感来源 , 他们分别来自音乐家巴赫、画家埃舍尔、文学家博尔赫斯 。
信条|观看《信条》前后,都离不开这篇文章。图片来自网络 。
推荐阅读
- 细胞|“首个人类胚胎完整模型”!两篇《自然》报道重大进展
- 地球|地球或将再次发生磁极翻转
- 长江|长江断流?你信吗?
- 武汉|《柳叶刀》:武汉人群新冠抗体阳性者占6.9%,其中82%系无症状感染
- 《 苹果燕麦粥》的制作方法
- 中和抗体|王辰团队《柳叶刀》发文,武汉人群研究显示新冠中和抗体至少可以维持9个月
- 【养生厨房】今日菜谱——《草头排骨》
- 种族主义|《纽约时报》煽动对中国的种族主义,美网友群起斥责
- 种族主义|《纽约时报》报道煽动针对中国的种族主义,作者竟然是华人!
- 疫苗|最新《细胞》确认!多种新冠变异病毒,可抵抗疫苗产生的抗体
