小米科技|西门子模拟量模块的编程方法

文章图片

文章图片

文章图片

西门子S7300PLC模拟量方面的实例包含了以下几个方面的要点
1、对变送器进行取值并进行
控制
2、对模数功能块FC105进行调
用
3、对AI模块进行设置
4、对AI量程块进行选择
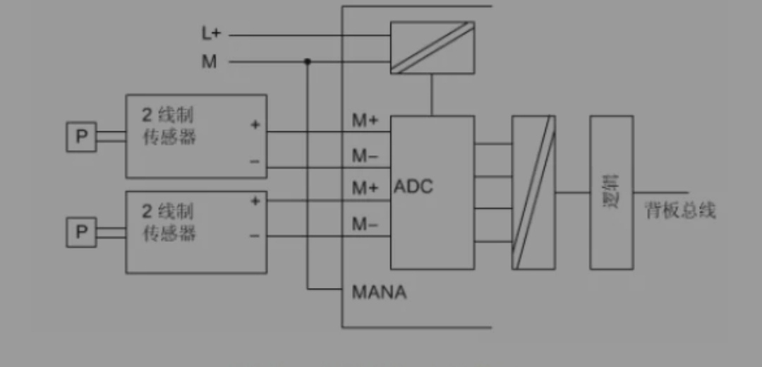
这个实例调试的是一个流量调节回
路中流量变送器输出2-2-MADC信号到SM331模拟输入模块模块将该信
号转换成浮点数然后在程序中
调用FC105将该值转换成工程量我门就可以监视实际工程中的流量
值
模拟量A采用SM311模块是
8×12Bit(8通道12位)对应货号是6ES7331-7KF020ABO在模数转化上利
用传感器或变送器的电压或电
取出的值到AI模块上进行转换
然后把值传给西门子的CPU进行处
【小米科技|西门子模拟量模块的编程方法】理从而检测控制传感器的值
传感器↓
西门子A模块↓
PLc程序处理进行控制.
模拟量输入用于连接电压和电流传感
器、热电耦、电阻和热电阻用来实
现PLC与模拟量过程信号的连接 。 将从过
程发送来的模拟信号转换成供PLC内部处理用的数字信号 。 本次工程用
的
是SM311 。 该模块具有如下输入模块 。
分辨率为9到15位+符号位(用于不同的转换时间)可设置不同的测量
范围 。 通过量程模块可以机械调整电
流/电压的基本测量范围 。 用STEP7硬件组态工具可进行微调 。 模块把
诊
断和超限中断发送到可编程控制器的
CPU中 。 模块向CPU发送详细的诊断信息 。
模拟量输入模块的接线方式
两线制电流和四线制电流都只有两根
信号线它们之间的主要区别在于
两线制电流的两根信号线既要给传感
器或者变送器供电又要提供电流信
;而四线制电流的两根信号线只提
供电流信号 。 因此通常提供两线制
电流信号的传感器或者变送器是无源
的;而提供四线制电流信号的传感器
或者变送器是有源的 。
因此当PLC的模板输入通道设定为连接四线制传感器时PC只从模板
通道的端子上采集模拟信号而当PLC的模板输入通道设定为连
接二线制传感器时PLC的模拟输入模板的通道上还要向外输
出一个直流24V的电源以驱动两线制传感器工作 。
传感器型号:
●两线制(本身需要供给24Dc电源的输出信号为4-20MA电流)即+接
24vdc负输出4-20mA电流 。 ●四线制(有自己的供电电源一般
是220vac信号线输出+为4-20ma正-为4-20ma负 。
1、PLC:(以2正、3负为例
)两线制时正极2输出24∨DC电压3接收电流所以遇到两线制传
感器时一种接法是2接传感器正
3接传感器负;跳线为两线制电流信
号 。 二种接法是2悬空3接传感器
的负同时传感器正要接柜内
24vdc;跳线为两线制电流信号 。
2、(以2正、3负为例)四线
制时正极2是接收电流3是负极 。
(四线制好处是传感器负极信号与柜内M为不同电平时不会影响精度很
大
因为是传感器本身电流的回路)遇到
四线制传感器时一种方法是2接传
感器正3接传感器负plc跳线为4线制电流 。
“传感器正与plc的3相连2
悬空跳线为两线制电流 。 \"此条在四线制和二线制传感器均适用大家
可
以自己试验 。
3、(以2正、3负为例)四线
制传感器与plc两线制跳线接法:信号线负与柜内M线相连 。 将传感器
正
与plc的3相连2悬空跳线为两线制电流 。
4、(以2正、3负为例)电压
信号:2接传感器正3接传感器
负plc跳线为电压信号 。
量程卡的设置
量程卡在模板的左侧装有量程卡允
许的设置为“A\"“B\"“C”和“D”分别适用于不同的测量的类型和范
围
在安模板前必须正确地设置它 。
没有量程卡的模拟量模板具有适应电
压和电流测量的不同接线端子这
样通过正确地连接有关端子可以设
置测量的类型 。
关于设置不同的测量类型及测量范围
的简要说明印在模板上 。 对于这个工
程水位的测量采用的是二线制变送
器所以选择“D\" 。
输入模块设置
在“硬件”\"界面下设置好机架后双击输入模块“ATB×12bit\"如下
图
双击输入模块后会弹出一个执行框
点击“地址”后将开始地址改为“256′′如下图
改完地址后再点击“输入”将“测量型号”中点击“2DMU\"设置传感
器的类型 。 (本次用的是两线的变送器)
AI系统
建立一个西门子硬件模块在添加好电
源和CPU后在配置文件中选择AI模块
在添加完成时在硬件系统中会出现此
模块如图
在此操作成功后双击进行选择设置
对话框点输入 。 如图
在选择完成后点确定就可以了然
后就是程序编写 。
AI程序
在S7-300中A模块的程序已经厂方已经写好只要进行功能模块的调
用就好了.
推荐阅读
- 艾泰洗车机|还在排队高价洗车?艾泰智能洗车机,小米都不敢这么玩
- 金融|二三四五上半年净利减少67.59% 金融科技营收降8成
- 科技日报|绿色包装这么好, 为啥我收快递时遇不到?
- 科技日报|首张“药物击靶”显微照片问世 启发药物设计新思路
- 科技日报|冰天雪地的北极也有大火 或进一步加速全球变暖
- 科技日报|路边树上的这些奇怪小物件都是害虫杀手
- 科技日报|功能性玉米被端上餐桌 这个数据库帮了大忙
- |科技赋能文旅 | 金雪容:5G让不动产运转得更快更智慧
- 小米科技|雷军依旧很厚道!红米K30至尊纪念版经典,1999元回归初心
- |小米被董明珠吐槽贴牌 网友:没有核心力不长久
