较真要点:“无淀粉”就全是肉吗?事实并非如此 。 无淀粉火腿只不过是淀粉含量降低了 , 但是肉量也许并没有增加 , 增加的只是大豆蛋白 , 也可能是猪皮 。
香肠火腿 , 对于吃货们来说简直就是难以抗拒的美食 。 在购买香肠的时候 , 有的人关心品牌 , 有的人关心口味 , 还有的人关心含肉量 。
吃香肠看到肉确实是件让人兴奋的事情 , 所以 , 为了让人们觉得“火腿里面都是肉” , 货架上出现了很多无淀粉火腿 。
无淀粉火腿真的没淀粉吗?其中的含肉量更多吗?还有价格超贵的金华火腿 , 究竟贵在哪儿?
文章插图
▲图片来源:图虫创意
01
无淀粉火腿没淀粉?
想法挺美好 , 现实很打脸
现在很多火腿都标榜着“无淀粉” , 但是这并不意味着里面没有淀粉 , 只不过是淀粉的含量比较低 , 低到根本吃不出来 。
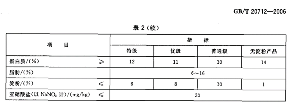
根据我国火腿肠的执行标准GB/T 20712-2006 , 火腿肠可以分为4个等级(见下图) , 而当淀粉含量≤1%、蛋白质含量≥4%的时候 , 可以声称为无淀粉火腿 。 [1]
文章插图
▲图片来源:GB/T 20712-2006标准截图
有的商家为了综合口味 , 还会在香肠里面加入白砂糖 , 就比如下图这款:
文章插图
▲图片来源:电商平台
所以 , 要明白你买到的无淀粉火腿并不是没有淀粉 , 只不过是含量比较少 , 吃不出来而已 。 如果正在减肥 , 建议购买无淀粉火腿的时候一定要看看配料表 , 尽量选择没有添加糖的 。
02
无淀粉火腿都是瘦肉?
并不是
【火腿|无淀粉火腿里的瘦肉更多?现实很打脸……】一听“无淀粉” , 第一感觉就是——全是肉?但事实并非如此 。
无淀粉火腿只不过是淀粉含量降低了 , 但是肉量也许并没有增加 , 增加的只是大豆蛋白 , 也可能是猪皮 。
先来看看普通有淀粉的火腿:配料中主要是鸡肉、水、麦芽糖、大豆蛋白、淀粉:
文章插图
▲图片来源:电商平台
而下图这两款是无淀粉火腿 , 在配料表可以看到有猪皮 , 其中也含有大豆蛋白 , 相对比于普通的火腿肠 , 无淀粉火腿的大豆蛋白含量会更高一些:
文章插图
▲图片来源:电商平台
文章插图
▲图片来源:电商平台
猪皮中的蛋白质含量比较高 , 为27.4g/100g , 比猪瘦肉的20.3g/100g还要高一些[2] , 并且其中的蛋白质主要是胶原蛋白 , 融化以后再凝固会成为有弹性的皮冻 。 加到香肠里面 , 不仅可以替代淀粉让香肠更好的成型 , 增加韧性 , 口感也会提升 。
但是 , 需要告诉大家的是猪皮的加入虽然可以增加产品蛋白质的含量 , 但是胶原蛋白属于不完全蛋白 。 首先它的吸收利用率很差 , 其次胶原蛋白并不会直接跑到你的脸上来增加皮肤的弹性 , 要先消化成氨基酸 , 吸收入血 , 优先被脏器利用 。
所以 , 无淀粉火腿并不全是瘦肉 , 倒是猪皮和大豆蛋白含量多了些 , 比如上图绿色的那款 , 其中的蛋白质含量比纯肉的金华火腿都要高 。
文章插图
▲图片来源:图虫创意
03
金华火腿贵所以健康?
吃多了对高血压不友好
金华火腿一般很少有人购买 , 多数是买来送礼的 , 因为它真的……太贵了……一个的价格几乎都是两三百 , 有的甚至五六百 。
所以 , 有的人会说 , 既然这么贵 , 那应该很健康喽 。 作为金华市的特产 , 金华火腿一方面卖的是名气 , 另外其中的肉含量确实高 。 但贵并不意味着就健康 , 就可以放开吃、敞开吃 。
金华火腿的配料表一般都是:猪后腿、盐、亚硝酸钠 , 看看下图这款金华火腿的营养成分表:
文章插图
▲图片来源:电商平台
我们需要关注的是钠含量:每100g含钠4430mg , 相当于11g的盐了 。 如果吃100g这样的火腿肉 , 盐的摄入量妥妥超过了《中国居民膳食指南》推荐摄入量6克/天的83%了[3] , 高盐饮食不仅会增加高血压的风险 , 也会增加胃癌的风险 。
所以 , 对于金华火腿 , 偶尔吃一些尝尝鲜没问题 , 但是每次最好控制在20~30g , 同时建议减少这一天其他饮食的盐摄入量 , 大约需要减少的量为2~3g(半个啤酒瓶盖的量) 。
总结一下:
无淀粉火腿并不都是瘦肉 , 也有淀粉 , 只不过是含量少而已;金华火腿含盐量超高 , 吃的时候得少吃 。
加工肉制品有一定致癌风险 , 腊肉、腊肠、火腿等加工肉制品已经被WHO下属的国际癌症研究机构(IARC)列为1类致癌物 。
能少吃还是少吃 , 偶尔馋了吃点解解馋 , 同时建议搭配新鲜的蔬果 , 降低对健康的影响 。
参考文献:
[1] .GB/T 20712-2006 火腿肠
http://down.foodmate.net/standard/yulan.php?itemid=11009
[2].杨月欣.中国食物成分表第6版第2册[M].北京大学医学出版社,2018
[3].中国营养学会.中国居民膳食指南[M].人民卫生出版社,201
END
作者/薛庆鑫 , 中国营养学会会员 注册营养技师 健康管理师 公共营养师
审核/宋爽 , 中国疾病预防控制中心营养与健康所 副研究员
本文由“科学辟谣平台”(ID:Science_Facts)出品
责编/心与纸
向左滑动 , 查看北京市科学技术协会新媒体传播体系
点在看啦
推荐阅读
- 猪身上一个部位,无筋无骨不塞牙,比排骨受欢迎,上桌立马被抢光
- 猴面包树|这种树“能吃能喝还能住”,养活无数非洲人,引进中国后画风变了
- 香喷喷的肉末茄子,简单好做,超下饭,吃一口回味无穷
- 成本3块钱的早餐饼,不放面粉,软糯香甜,老人孩子吃到回味无穷
- 炖猪肉时,牢记“3不放”,肉烂味鲜无腥味,香味十足!
- 想吃芝麻酱不用买,5块钱自制一大瓶,纯正无添加,做法还简单
- 减肥|郭美美因减肥药再次入狱,细数市面上常见减肥药,减肥无捷径
- 蒸蛋羹,别直接上锅蒸!教你一招,蛋羹鲜嫩无蜂窝,口感好营养足
- 卤制牛肉,记住不要直接炖,2个小诀窍,卤制牛肉很香,无腥味
- 新冠疫苗|长沙已接种新冠疫苗36万余剂次,暂无严重预防接种异常反应报告
