电池|小米9手机换屏后开机显示空电池图标, 排除外配, 奇葩问题80%源于它

文章图片

文章图片

文章图片

机器型号:小米9
故障现象:同行说手机换屏之后 , 开机显示一个空电池
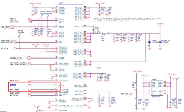
故障分析:显示空电池图标说明这个故障和电池及电池通路有关 。
维修过程:
【电池|小米9手机换屏后开机显示空电池图标, 排除外配, 奇葩问题80%源于它】首先更换电池排除外配 , 结果故障依旧 , 然后对电池座子检测脚测量 。
打开鑫智造图纸 , 发现电池座子BATT_ID和BATT_THERM通路上有个保护管 , 还有两个测试点 。
测量两个测试点阻值都是900多 , 这款机器电池检测脚没有上拉电压 , 而是直接通到充电IC的 。
更换一个充电IC 。
开机测试 , 完美修复 , 测试功能一切正常 , 维修结束 。
推荐阅读
- 艾泰洗车机|还在排队高价洗车?艾泰智能洗车机,小米都不敢这么玩
- 漏洞|华为称继续向预装Google Play手机提供更新;Mac纳入苹果独立维修商维修范围;三星智能手机生产
- |女子下楼丢垃圾,开车外出后手机不见了,民警侦查发现她这个动作很可疑……
- 小米科技|雷军依旧很厚道!红米K30至尊纪念版经典,1999元回归初心
- 东南亚|几十天后华为苹果的5nm处理器手机将至,你准备好了么?
- 华为证实:正努力研发搭载全屏指纹识别、屏下摄像头手机
- 首款屏下摄像头手机 中兴AXON 20 5G正面照公布
- |小米被董明珠吐槽贴牌 网友:没有核心力不长久
- 手机卡|“欠费”后的实名手机卡,没使用也不去注销,结果会怎样?
- 5G手机|崔宝秋:5G手机将迎来革命 我们已在探索6G
