【新周刊】我是病毒,只输给恐惧并尊重我的人
放大后的新型冠状病毒 , 看上去就像一个刚刚爆炸的超新星 。 /央视
鼠疫有其裨益 , 能让人睁开眼睛 , 逼人思考 。
——阿尔贝?加缪
人类生物安全等级只有四个级别 , 这是根据物理控制水平所对应的、能够安全操作的微生物危险等级 。
简单来说 , 就是传播手段和致命率 , 传播方式越是稀松平常 , 致病率越高的 , 等级就高 。
普通的流感是二级;炭疽、鼠疫、SARS和狂犬、甚至艾滋病一类的 , 属于三级;当人类看到埃博拉、马尔堡这些字眼的时候 , 就应该本能地感到恐惧 , 这是四级 。
四级的病毒 , 可以通过血液 , 飞沫 , 甚至空气传播 , 而且没有有效的疫苗或者治疗办法 , 而且一旦感染 , 死亡率至少高于10% 。
在过去近一百年中 , 随着技术的进步 , 人们得以更深地研究和认识病毒 , 当认知越多 , 人类对病毒便越发尊重 , 也越发科学 。
通常看 , 这类病毒在制度完善和科技发达的区域 , 极少肆虐 。
但可怕的是 , 病毒也在不断地“学习”和变异 。
马尔堡病毒 , 一次操之过急的进攻
没人可以确认病毒从而何来 , 因为它非生非死 。
在条件不合适的时候 , 病毒一直蛰伏 , 直到潜入条件完美的宿主身上 , 接着就以不断自我复制的方式发起进攻 , 这是病毒的求生和扩散法则原始动力 。
在1962-1965年间 , 一种致命病毒在乌干达埃尔贡山的奇塔姆洞(位于乌干达和肯尼亚的交界处 , 艾滋病也从这一带流传出来 , 那儿就像致密病毒的批发市场)附近的农村爆发 , 那一次 , 病毒可能是通过从山洞里跑出来的猴子 , 攻击人类 , 但病毒出现了一个致命失误 , 就是操之过急 , 以及杀死了病毒携带者 。
乌干达、肯尼亚、卢旺达等地爆发过不少致病病毒 , 图为卢旺达乡间 。 /wiki
那一次 , 感染病毒的人、或者猴子 , 大多在两三天就死亡了 , 对于一个农村部落来说 , 这种效率很高 , 但因为农村的人口缺少国际化流动 , 病毒像遇到干柴一样 , 快速地燃烧之后 , 只留下一堆灰烬 。
要造成更大的传播 , 感染到死亡时间不能过短 , 于是那一次病毒肆虐过后 , 病毒隐退回了丛林 , 也许是伺机下一次的进攻 , 也许是改变攻击手段 。
不过那一次的病毒爆发还是引起了一些科学家的注意 。
1967年 , 西德马尔堡以及周边的几所医学实验室的工作人员同事爆发了一种出血热 , 31人病发 , 其中7人死亡 。
事后发现 , 这些病毒来自乌干达和肯尼亚捕捉到的一批猴子 。
马尔堡病毒由此而得名 , 后来的研究发现 , 这个病毒与村庄爆发的病毒同源 。
这开始真正让人感到不安的 , 是在1980年 。
56岁的业余博物学家法国人夏尔?莫内喜欢鸟类和兽类 , 唯独不喜欢人 , 在1970年代的最后几年 , 他独居在肯尼亚西部一座糖厂的私人土地中 。
他日常喜欢拿着食物等猴子接近 , 吃他手里的东西 。
他有几个女性朋友住在埃尔贡山东南的埃尔多雷特镇上 。 1979年圣诞节假 , 他带上了其中的一个女人去埃尔贡山野营 。
埃尔贡山的卫星图 。 /NASA
元旦的清晨 , 两人在奇塔姆洞(大岩洞)下方的小山谷停车 , 因为下雨 , 他们在洞里玩了一天 。
洞里的地势上升 , 地表覆盖着绿色粘液 , 洞顶栖息着以植物为生的果蝠 , 粘液是果蝠的排泄物 。
莫内可能在攀爬的时候割破了手指 , 摸到了排泄物 , 马尔堡病毒的机会来了 。
这一次感染马尔堡病毒的人 , 要到第七天才会头痛 , 这是病毒试图扩大传播的一次进化 。
马尔堡病毒属于丝状病毒 , 其特有的弧形被称之为“牧羊人的曲杖” 。 /wiki
1月8日 , 莫内开始感到眼珠后面阵阵隐痛 , 然后头痛 , 太阳穴也痛 , 阿司匹林不管用 , 接着就是背部剧痛 。
感染病毒后的第10天 , 莫内开始恶心 , 高烧 , 呕吐 , 整个人变得冷漠迟钝 , 面部失去了活力 , 眼珠子凝固在眼窝里 , 变成了鲜红色 , 而且皮肤发黄 , 有星状的红斑 , 看上去就像一具僵尸 。
很快 , 莫内性情大变 , 阴沉易怒 , 记忆力消失 , 没有神志 , 但可以回答出问题 , 虽然不清楚自己身在何方 。
这种病症在当时很容易被判定为疟疾 , 一种常见的传染病 。 假如用药错误 , 那么病毒在一场扩张和生死较量中 , 基本稳操胜券 。
莫内在当地的一家私立医院注射了抗生素 , 但无济于事 。
莫内有钱 , 于是他搭上了肯尼亚航空的一个航班 , 前往内罗毕 , 去非洲最好的私立医院 。
借助航班 , 病毒在24小时内可以飞抵地球上的任何城市 , 然而这已经是他感染病毒后的第十一天 。
莫内成了一个携带病毒的深水炸弹 , 现在他进入了这个网络 , 准备随时爆炸 。
这趟航班载客35人 , 机舱密闭 , 狭小而拥挤 , 夏尔咳嗽 , 呕吐出来的东西吐进了口袋 , 嘴唇上剩下混有黑色斑块的红色粘液 。
2014年 , 世卫组织对非洲爆发的埃博拉疫情进行救助 。 /世卫
呕吐物其实不完全是黑的 , 液体有两种颜色 , 像沥青一样的黑色颗粒混在鲜红的动脉血里 , 这是内出血 。
呕吐物气味弥漫整个机舱 。
就像病毒已经渗透了莫内的整个身体 , 从大脑到皮肤每一个部分 。
换句话说 , 占领宿主躯体的生物体正在将宿主转化成病毒本身 。
莫内整个人显得僵硬 , 他的血液正在凝结 , 肠子正在坏死变黑 , 没有疼痛感 , 因为大脑内堆积的血液凝块正在阻断血流 。
脑损伤抹除了莫内的人格 , 生命活力和性格特质渐渐消失 , 只剩下脑干的深处区域还有活力 , 仍然可以工作 。
也就是说 , 莫内的灵魂已经死了 , 肉身依然活着 。 这是病毒的胜利 , 只要能控制肉身 , 病毒就有寻找下一个宿主的机会 , 通过血液 , 或者人体的孔窍 。
当飞机降落在内罗毕乔莫肯亚塔机场 , 莫内还能走路 。 他站起身 , 鲜血滴落 , 走下舷梯 , 踏上停机坪 。
病毒就像丧尸 , 无时不刻不在寻找新的宿主 。 /《生化危机》
他两手空空 , 行李全在内体 。
然后上了一辆出租车 , 前往内罗毕医院 。
他抵达医院的时候很安静 , 等待通知 , 突然 , 他进入最终阶段:人体病毒炸弹爆炸 。
伴随着一声痉挛般的呻吟 , 胃里涌出的血液泼洒在地上 , 大肠也完全打开 , 血液从肛门向外喷射 , 其中还有自己的内脏 。
莫内还没有死 。
埃博拉 , 马尔堡变种
这不是要把什么都描绘得一团漆黑 , 而是提醒人们要采取防范措施 。
一位叫谢姆?穆索凯的医生开始对莫内进行抢救 。
当他将莫内的头部向后抬起 , 以便从嘴里插入喉镜的时候 , 他没有戴橡胶手套 。 他用手指在夏尔的舌头四周扫了一圈 , 以此清理污秽分泌物 。
当喉镜滑过莫内的舌头 , 通向肺部的时候 , 谢姆凑近查看 。 莫内一抖 , 再次呕吐 , 黑色与红色的液体溅到半空中 , 落在医生身上 , 钻进他的眼镜和嘴里 。
莫内陷入深度昏迷 , 第二天他在ICU去世 。
1976的一张照片 , 两名护士站在金沙萨第三个病人(Mayinga护士)前 。 Mayinga护士于扎伊尔金沙萨市的Ngaliema医院接受治疗 , 但于数天后死亡 。 /wiki
在遗体解剖的时候 , 医生发现莫内的肾脏肝脏都已损坏并且液化变成糊状 , 肠子灌满血液 , 就像死了几天以后的尸体 。
病毒在这一次的传播中 , 很巧妙地隐藏了自己 , 并且破坏了“案发现场” , 因此人们当时还无法了解病毒的致病机制 。
医生将莫内的死因定性为:爆发性肝功能衰竭 。
1月24日 , 也就是接触莫内9天后 , 谢姆的背部开始疼痛 , 眼球变红 , 他也怀疑自己染上了疟疾 , 护士在给他做了肌肉注射的时候 , 疼痛异常剧烈 , 他从未因为一个扎针如此疼痛 。
内罗毕的内科医生 , 怀疑他患上了急性胆结石 , 于是开始做手术 。
切口在肝脏上方 , 胆结石的征兆并未发现 。 但却看到肝脏已经肿胀发红 , 另一方面却流血不止 。
通常外科手术会切断血管 , 血管出血一段时间便会凝结 , 要是出血不止 , 便会用明胶海绵止血 , 但谢姆的血液无法凝结 , 积血和排血一样快 。
参与手术的人说 , 被“血液泡到了胳膊肘” , 事后回想 , 这也正是通过血液传播的病毒 , 争取更多宿主的生存逻辑 。
他们从肝脏上切下一小块进行活检 , 然后迅速缝合了刀口 。
手术受 , 谢姆的情况迅速恶化 , 这时候 , 医护人员才怀疑他染上了罕见的病毒 , 于是将他的血液提取出来 , 交给各大实验室进行化验 。
其中 , 包括南非桑德林汉姆的国家病毒研究所 , 美国亚特兰大的疾病控制中心 。 (即美国陆军传染病研究所 , 《科学》杂志2019年8月6日曾报道该所因未能通过安全检查 , 而被暂停工作)
从美国研究人员发出的报告显示 , 谢姆的血样里有可怕的东西——对马尔堡病毒呈阳性 。
肯尼亚卫生部关闭了内罗毕医院 。 67人在医院内隔离检查 , 大部分是医护人员 。
而谢姆却幸运地活下来 , 他的血清被认为有天然抗体 , 因此一直是疫苗的研究样本 。
但真正有效的疫苗至今都没有被研究出来 , 但他的血液有来自莫内的黑色呕吐物 , 却可以确定源于奇塔姆洞 。
莫内和谢姆像是照进黑暗洞窟的手电筒光束:让人们看见病毒的源头与病毒蔓延大戏的一角 , 视野有限 , 但足以令人不安 。
病毒的超级携带者
按照标准理论 , 阻止病毒传染只有三种方法:疫苗、药物和生物隔离 。
研究人员确定了致死莫内的病毒 , 由马尔堡病毒和两种埃博拉病毒构成 , 分别是扎伊尔埃博拉和苏丹埃博拉(埃博拉病毒有5个变种 , 或许通过变异 , 种类仍在增加) 。
马尔堡病毒温和 , 也有可能操之过急 , 杀死病毒携带者——猴子的速度太快 , 无法将被感染者变成有效的宿主 , 或许马尔堡需要另一个物种作为传播工具(因此后来在果蝠身上发现了马尔堡病毒) 。
但扎伊尔埃博拉的致死率是90% 。
埃博拉病毒因埃博拉河而得名 , 是刚果河(又称扎伊尔河)的支流 。
病毒第一次为外界所知的爆发是1976年9月 , 在埃博拉上游的15个村庄 , 埃博拉杀死了9成感染者 。
致命病毒是人类面对的一大危机 。 /BBC《病毒为何致命》
9月初 , 埃博拉河南岸某处的某个无名氏触碰了什么带血的东西 , 可能是猴子肉 , 或者是蝙蝠 , 因为这是他们的食物之一 。
无名氏出现症状后开始寻求医院的帮助 , 最终导致疫情爆发 。
当地医院只有5个针头 , 修女每天用那5个针头给数以百计的患者注射药物 , 其中还有孕妇 , 这为通过体液传播的埃博拉病毒创造了绝佳的条件 。
于是病毒在医院周围的55个村落爆发 。
接受注射的人先被杀死 , 胎儿在子宫内崩溃并流血而死 。
然后是家庭成员 。
这种病毒袭击人体内除了骨骼肌和骨骼之外的所有器官和组织 , 是一种完美的寄生生物 , 因为几乎将整个人变成了饱含病毒粒子的黏液 。
人体内的胶原变成稀泥 , 皮肤从底层开始坏死和液化 , 口腔会出血 , 牙龈会出血 , 连唾液腺都会出血 , 身体的每一个孔窍都会出血 。 舌头腐烂剥落 , 死肉被吞下去或者在呕吐时被撕掉 。
会更加彻底地摧毁大脑 。 在临终时往往会进入癫痫般的痉挛 , 震颤和抽搐可以让血液飞溅 , 这是埃博拉的求生策略:通过污染创造传播机会 。
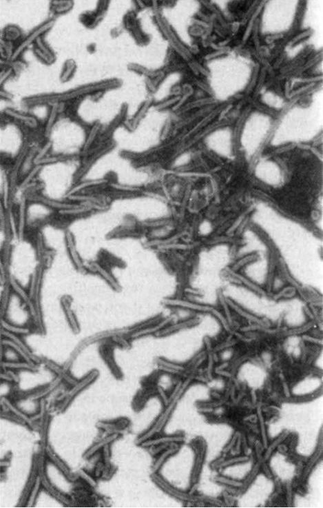
放大17000倍的扎伊尔埃博拉例子 。 /托马斯·W·盖斯伯特
宿主死后 , 尸体会突然瓦解 。 内脏实际上已经坏死好几天 , 所以没有人知道死因 。
其中一个感染的修女玛英嘉?N因为害怕生病被禁止出国 , 所以有两天她偷偷跑去了城里办出国许可证 , 第一天在扎依尔外交部排了一天队;第二天 , 10月13日 , 他乘出租车去了金沙萨最大的医院 。
森林出现病毒的消息蔓延出来 , 又传说一个生病的护士在金沙萨活动了两天 , 全城陷入恐慌 。
消息传到世卫组织日内瓦 , 他们进入了全城戒备 。
封锁城市的武装力量被获准射杀越界者 。
但子弹和暴力无法击杀和阻止病毒 。
即便在2014年以后 , 埃博拉疫情在每次爆发的时候 , 都会令6000到1万人死亡 。
致死率也居高不下 , 2018年8月到2019年8月新一轮的埃博拉疫情中 , 在刚果(金)感染的3000人中 , 有2000人死亡 。
玛英嘉护士似乎是爆发性致命传染链上的关键携带者 。
从埃博拉病毒进入人体血液的那一刻起 , 只要十天 , 就能完成艾滋病要花十年才能做到的事 。 和它相比 , 艾滋病就像儿童玩具 。
而神奇的是 , 埃博拉肆虐以后可以销声匿迹 , 爆发时又不知从何而来 , 因此传播方式仍未有真正的定论 , 但体液传播(包括飞沫)基本可以确定 。
埃博拉病毒真身 。 /《科学》
好在病毒携带者关系已逐渐理清 。
其中之一就是蝙蝠 。
《自然通讯》(Nature Communications)杂志在最近的一篇论文中说到 , 科学家已在近200种蝙蝠身上发现超过4100种病毒 , 其中包括丝状病毒类的马尔堡病毒和埃博拉病毒 , 另外冠状病毒超过500多种 。
也就是说 , 在过去的十数年间 , 马尔堡病毒的进化已经成功的从猴子转移到了蝙蝠身上 。
这种致命病毒令蝙蝠成为了自然界中最大的病毒库之一 , 一如肯尼亚埃尔贡山的原始森林 。
2003年爆发的SARS , 以及现在正在我国爆发的新型冠状病毒(2019-nCoV)疫情的两种冠状病毒 , 中华菊头蝠也被怀疑为自然宿主之一 。
写在最后
以上马尔堡病毒和埃博拉病毒的传播和致命情况基本取自于理查德?普雷斯顿(RICHARD PRESTON , 1954—)所写的《血疫》 , 因为这本书 , 普雷斯顿获得了美国疾病控制与预防中心颁发的防疫斗士奖 , 他也是有史以来唯一以非医师身分获奖的得主 。
在该书的最后 , 理查德描述了和经历过1989年华盛顿埃博拉危机的雷斯顿研究所科研人员的一段对话 。
科研人员猜测 , 埃博拉病毒可能也藏于昆虫体内 , 但昆虫没有肺部 。 这就说明埃博拉从昆虫进入哺乳动物后 , 快速地适应了肺部功能 , 并从肺部增殖 , 长出新病毒 , 通过咳嗽 , 这些病毒会随着痰液上升进入喉咙 , 直接扩散进空气 。 (所以绝对不能让患者对着你的脸咳嗽)
如果这个逻辑成立 , 也就是说病毒也在不断地变异 , 就会产生一个大问题——在人类没有研发出药物和抗体前 , 病毒更广泛而致命地传播 。
而作为身上携带4100种病毒的蝙蝠来说 , 可怕之处就在于 , 病毒在蝙蝠体内是否会相互影响而变异出更新的超级致命病毒 。
蝙蝠不带“福” , 带的是毒 。
这并非制造恐惧 。
美国陆军传染病研究所一位流行病学专家 , 他无比害怕病毒 , 他对病毒的恐惧之所以令人印象深刻 , 就在于他是源自已掌握的知识 , 基于理性而产生了对病毒深切的尊重 。
只有在冷静、理智和科学的帮助下 , 人类才可以认清病毒的生存机制 , 这是制服病毒的唯一办法 。
病毒在中国古代被称之为“瘟神” , 这一词汇出现在隋朝 , 千百年来 , 仍然有人相信通过敲锣打鼓就能送走瘟神 , 难道鼓声比预防和救治措施更有效?
?作者 | 胡同
【新周刊】我是病毒,只输给恐惧并尊重我的人。欢迎分享到朋友圈
【新周刊】我是病毒,只输给恐惧并尊重我的人。未经许可禁止转载
推荐阅读
- 《异度神剑 终极版》日语配音与英语配音直观对比影像
- RNG新上单暴露了?绿毛小明聊天记录曝光:记得照顾好我们的兄弟
- 讲解bjl下三路打法原理及个人实战技巧心得经验分享【许祥孜】
- 莱万已经累计4张黄牌,对阵法兰克福若再吃牌,将无法出战多特
- 2换1!乔丹当年的交易筹码曝光
- 中国渔民再次立功! 巨大宝藏重见天日, 美国请求被拒之门外!
- 余生不长,和谁在一起,真的很重要
- 【独家】自小米入股后灵动微进入D+轮融资
- 国产EDA迎来了最好的发展机遇,补全短板,就能和国外产品PK了
- 私募会员专用指标:自编交易模型+短期建仓(源码免费分享)
